Skip to content Skip to sidebar Skip to footer

Ford 4000 Tractor Hydraulic System Diagram

Ford 4000 Major Tractor Parts Manual

Ford 4000 Major Tractor Parts Manual

Ford 4000 tractor hydraulic system diagram. Ford 4000 hydraulic fluid. It will unconditionally ease Page 126. See item 35 on the attached parts diagram.

The Ford 4000 was comparable to the Ford 801 and 901 tractors. Having inline hydraulic systems means that an operational. COMPLETELY INDEXED SEARCHABLE AND BOOKMARKED.

I have a 1971 ford 4000 with a loader and backhoe. New Aftermarket Replacement Power Steering Kit made to fit Ford New Holland Tractor models. G askets seals h ydraulic pumps l inkage p ick up hitch h itch pins If you know the part number or model number that you are looking for type it into the search box or simply scroll through the products.

Ford 4200 - Hydraulic System 10 Hydraulic cylinders Spool valve kits bushings control valves hydraulic pumps cylinder seal kits covers bushings clamps. The Ford 4000 Tractor Operators Manual 1962-1964 fits the Ford New Holland 4000. Howdy tcp welcome to the tractor forum.

Read PDF Ford 3000 Tractor Parts Diagram Ford 3000 Tractor Parts Diagram When somebody should go to the book stores search foundation by shop shelf by shelf it is in point of fact problematic. Wed Apr 28 2010 715 am Post subject. As with other things I like to tackle any sort of lift problem by first checking the possible causes that are No-Cost or Low-Cost items.

The Ford 4000 Tractor was manufactured in Michigan from 1962 to 1975. The three-cylinder Ford 4000 series tractors which debuted in 1965 were entirely different from the old 801-based 4000 tractor. What type of fluid should be used for the hydraulics.

Ford 4000 Power PTO claimed. This manual has been prepared to acquaint you With the many features of your new Ford Tractor.

Ford 4000 Hydraulics Tractor Forum

Ford 4000 Hydraulics Tractor Forum

Need Help With Servicing 1966 Ford 4000 Hydraulic System My Tractor Forum

Need Help With Servicing 1966 Ford 4000 Hydraulic System My Tractor Forum

4410 3 Cyl Woods Tractor 1 69 12 74 05a01 Hydraulic Lift Cover Related Parts 2000 3000 4000 New Holland Constructuion

4410 3 Cyl Woods Tractor 1 69 12 74 05a01 Hydraulic Lift Cover Related Parts 2000 3000 4000 New Holland Constructuion

Ford 4000 Loader Hydraulics Yesterday S Tractors

Ford 4000 Loader Hydraulics Yesterday S Tractors

How To Change The Hydraulic Filter On A 4000 Ford

How To Change The Hydraulic Filter On A 4000 Ford

Ford 4000 Tractor Parts Online Store Helpline 1 866 441 8193

Ford 4000 Tractor Parts Online Store Helpline 1 866 441 8193

Ford 4000 Hydraulics Tractor Forum

Ford 4000 Hydraulics Tractor Forum

1974 Ford 4000 Tractor Service Repair Manual

1974 Ford 4000 Tractor Service Repair Manual

Ford 4000 Hydraulic Oil Level Plug Yesterday S Tractors

Ford 4000 Hydraulic Oil Level Plug Yesterday S Tractors

Ford 860 Hydraulic Fluid Around Gear Shifter Ford Forum Ford Tractors 8n Ford Tractor Big Tractors

Ford 860 Hydraulic Fluid Around Gear Shifter Ford Forum Ford Tractors 8n Ford Tractor Big Tractors

Hydraulic Pump Parts For Ford Jubilee Naa Tractors 1953 1954

Hydraulic Pump Parts For Ford Jubilee Naa Tractors 1953 1954

Ford 2000 3000 4000 5000 7000 Repair Manual 1965 1975 Tractor Youfixthis

Ford 2000 3000 4000 5000 7000 Repair Manual 1965 1975 Tractor Youfixthis

Ford 4000 Hydraulics Tractor Forum

Ford 4000 Hydraulics Tractor Forum

Hydraulic Lift Cover Parts For Ford 8n Tractors 1947 1952

Hydraulic Lift Cover Parts For Ford 8n Tractors 1947 1952

Ford 961 Hydraulic Lift Problem Ford Forum Hydraulic Systems Ford Tractors Hydraulic

Ford 961 Hydraulic Lift Problem Ford Forum Hydraulic Systems Ford Tractors Hydraulic

Ford 3000 Three Point Hitch Slow To Raise Tractorbynet

Ford 3000 Three Point Hitch Slow To Raise Tractorbynet

Ford 2000 Tractor Hydraulic Lift Rear Axle Servicing Youtube

Ford 2000 Tractor Hydraulic Lift Rear Axle Servicing Youtube

Need Help With Servicing 1966 Ford 4000 Hydraulic System My Tractor Forum

Need Help With Servicing 1966 Ford 4000 Hydraulic System My Tractor Forum

Ford 4000 Hydraulics Tractor Forum

Ford 4000 Hydraulics Tractor Forum

How To Install Rear Remote Hydraulics On A Tractor Super Easy Youtube

How To Install Rear Remote Hydraulics On A Tractor Super Easy Youtube

1971 Ford 4000 Tractor Service Repair Manual

1971 Ford 4000 Tractor Service Repair Manual

Ford Tractor Hydraulic Lift Problems 3 Ford Tractors Tractors Ford

Ford Tractor Hydraulic Lift Problems 3 Ford Tractors Tractors Ford

Ford 2000 3000 4000 5000 7000 3400 3500 3550 4400 4500 5500 5550 Service Manual Tractor 40340070 Erepairinfo Com

Ford 2000 3000 4000 5000 7000 3400 3500 3550 4400 4500 5500 5550 Service Manual Tractor 40340070 Erepairinfo Com

1

1

Question For Tractor Mechanics I Am Looking For A Wiring Diagram For A 1972 Ford 4000 3 Cylinder Diesel Tractor Can

Question For Tractor Mechanics I Am Looking For A Wiring Diagram For A 1972 Ford 4000 3 Cylinder Diesel Tractor Can

Ford 4000 Tractor Parts Manual

Ford 4000 Tractor Parts Manual

Hydraulic Pump Parts For Ford 8n Tractors 1947 1952

Hydraulic Pump Parts For Ford 8n Tractors 1947 1952

John Deere 4000 Series Tractors Service Manual Sm2039 Pdf

John Deere 4000 Series Tractors Service Manual Sm2039 Pdf

Ford 4000 Hydraulic Pump Repair Kit S65428

Ford 4000 Hydraulic Pump Repair Kit S65428

1966 Ford 4000 Hydraulic Return Filter My Tractor Forum

1966 Ford 4000 Hydraulic Return Filter My Tractor Forum

Ford 7000 5000 4000 3000 2000 Tractor Service Repair Shop Manual Issued 1966 1801972046

Ford 7000 5000 4000 3000 2000 Tractor Service Repair Shop Manual Issued 1966 1801972046

Mounting Instructions For Add On Power Steering Kit S 60747 Manualzz

Mounting Instructions For Add On Power Steering Kit S 60747 Manualzz

Ford 3000 Hydraulic Cover Removal And Installation Youtube

Ford 3000 Hydraulic Cover Removal And Installation Youtube

3 Hydraulic Pump 5000 Ford Tractor

3 Hydraulic Pump 5000 Ford Tractor

Diesel Fuel Injection Pump For Ford Tractor D6nn9a543g D0nn9a543k For Sale Online Ebay

Diesel Fuel Injection Pump For Ford Tractor D6nn9a543g D0nn9a543k For Sale Online Ebay

Ford 1320 1520 1620 1715 1720 Tractor Service Manual

Ford 1320 1520 1620 1715 1720 Tractor Service Manual

Ford 4000 Tractor Service Manual

Ford 4000 Tractor Service Manual

Car Gallery Ford F100 418w

Car Gallery Ford F100 418w

Ford 8n Tractor Specs Price Review Key Features

Ford 8n Tractor Specs Price Review Key Features

How To Remove Lift Cover Ford 3000 Tractorbynet

How To Remove Lift Cover Ford 3000 Tractorbynet

Ford 4000 Hydraulic Fluid Refill Yesterday S Tractors

Ford 4000 Hydraulic Fluid Refill Yesterday S Tractors

Fuel Injection Pump 3233f390 For Ford Tractors 3500 4000 4500 4600 4610 231 555 445 550 Walmart Com

Fuel Injection Pump 3233f390 For Ford Tractors 3500 4000 4500 4600 4610 231 555 445 550 Walmart Com

Ford 4000 Industrial Hydraulic Leak Repair Youtube

Ford 4000 Industrial Hydraulic Leak Repair Youtube

Injector Pump Ford 4000 4600 Clifford S Tractor Parts

Injector Pump Ford 4000 4600 Clifford S Tractor Parts

New Injector Fuel Pump To Suit Ford 3000 3600 Tractor Diesel Injection Eastman Agricultural Parts

New Injector Fuel Pump To Suit Ford 3000 3600 Tractor Diesel Injection Eastman Agricultural Parts

Ford Tractor Manuals Ford 2000 3000 4000 5000 Manual

Ford Tractor Manuals Ford 2000 3000 4000 5000 Manual

1965 1966 Ford Tractor Reprint Color Brochure 2000 3000 4000 5000 6000

1965 1966 Ford Tractor Reprint Color Brochure 2000 3000 4000 5000 6000

Body D0nn965a New Holland Avspare Com

Body D0nn965a New Holland Avspare Com

Ford 4000 Tractor

Ford 4000 Tractor

What type of fluid should be used for the hydraulics.

Always in stock so you can get it fast. Highland Park Michigan USA. 5000 tractor hydraulic system diagram ford 4000 series shop manual pdf download manualslib hydraulic pump discounted ford new holland tractor parts help finding hydrolic check and fill plugs on ford 5000 tractor hydraulic oil suitable for. Ford 3000 Tractor Starter Solenoid Wiring Diagram. The new Position Control setting bypassed the draft control and allowed the implement to remain at a consistent position relative to the position of the Touch Control lever. This includes the following items. Ford 4000 Tractor Operators Manual Author. Driving the Tractor B. But make every effort to keep metal shavings out of the hydraulic system as you back out the broken threaded adapter.


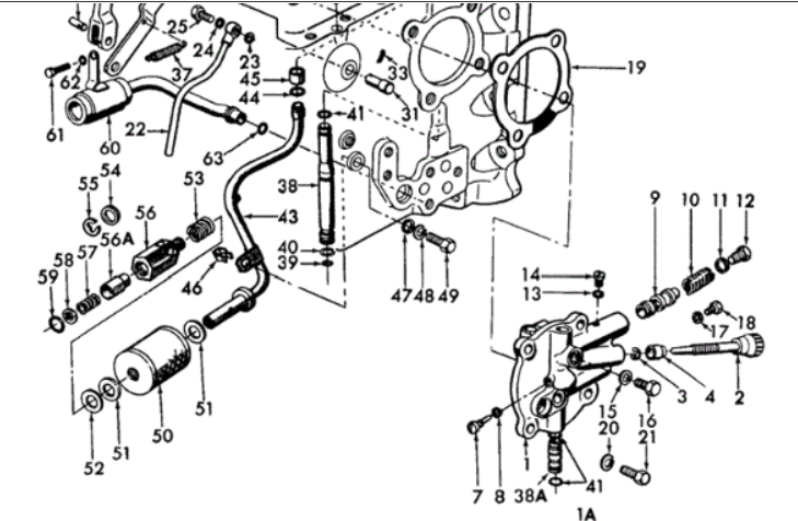
Here is a picture gallery about ford 4000 tractor parts diagram complete with the description of the image please find the image you need. Having inline hydraulic systems means that an operational. Ford 4000 Tractor Parts Online Store Helpline 1-866-441-8193 for Ford 4000 Tractor Parts Diagram image size 859 X 672 px and to view image details please click the image. However the 65-75 Ford 4000 was completely different from the ground up. Same-day shipping and easy returns. The Ford 4000 Tractor was manufactured in Michigan from 1962 to 1975. I have a 1971 ford 4000 with a loader and backhoe.

Post a Comment for "Ford 4000 Tractor Hydraulic System Diagram"